> 3마력, 5마력 이하 / 삼상
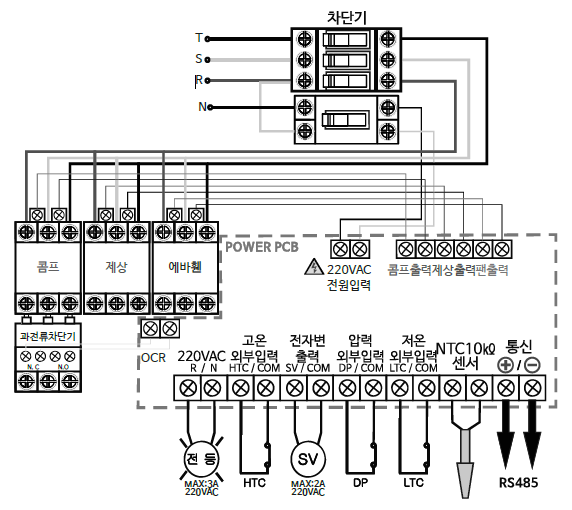
> 4개의 출력(콤프,제상,팬,전자변)제어
> 4개의 외부입력으로 제품 보호 및 알람
(DP,HTC,LTC,OCR)
> 온도 UNIT 선택가능 (섭씨/ 화씨)
> MODBUS 485통신
> 간편하고 직관적인 구조로 설비 및
사용의 편의성
> 온도에 따른 3색 LED변화
측정 범위 | -55.0 ~ 99.9℃ |
입력 센서 | NTC(10KΩ) |
표시 정도 | ±3%rdg ±1digit |
전원 전압 | 100 ~ 240VAC 50/60Hz |
사용주위 온습도 | -20 ~ 65℃ 0% ~ 100% RH |
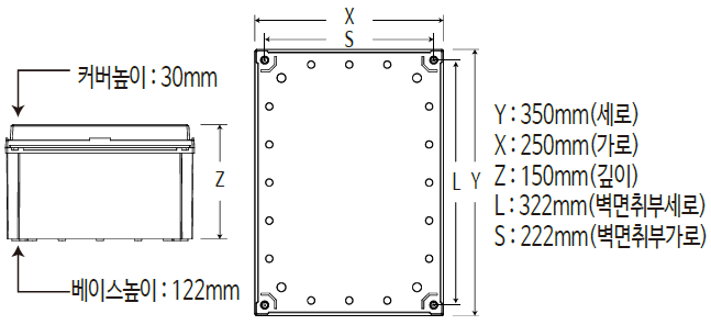
중량 1PC | 4.5Kg |


<EZIN-33 / EZIN-33S>

<EZIN-33 / EZIN-33S>