CONOTEC that grows as a global company
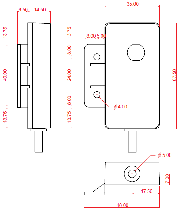
Size(mm) | 35(W) X 67.5(L) X 21(H) |
Operating Range | (Temp.) -40 ~ 65℃ (Humi.) 10 ~ 95% RH |
Sensor case | PVC |
Sensor cable | 4P Shield |
Applicant model | FOX-300AR1 / FOX-301AR1/ FOX-300JR1 / FOX-301JR1 FOX-8300R1 / FOX-8301R1 |
Gross Weight | 0.12g |

