CONOTEC that grows as a global company
> Reduces unnecessary supply of CO2
by adding illumination sensor and timer
> Time setting for maximum9 channels
> Open/ Close device for Green house
depending on changes of temperatrue
> DATA collects & shorage
(Viwer program)
> Mushroom / Plant cultivation
purifying indoor air system
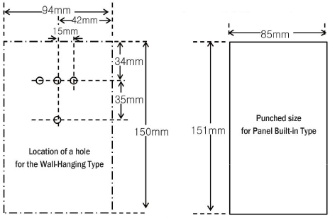
Size | 85(W) x 39(H) x 151(L) |
Operating Range | (Temp.) -20.0 ~ 65.0℃ /±0.1℃ (Humi.) 0 ~ 100% /±0.1% |
Input sensor | FS-600R 5M |
Illumination Range | 0 ~ 54600Lux /±2% |
CO2 Range | 0 ~ 5000ppm /±3% |
Output | 5 relay (250VAC 2A ) |
Programming | Set / Up / Down Key |
Control Method | ON / OFF |
Power Supply | AC100V~240V 50/60Hz |
Ambient Temp/Humi | 0 ~ 60℃ (32~140℉) Less than 80% RH |
Gross Weight 1PC | 262g |




