CONOTEC that grows as a global company
> Lock function programs
> Correction of the present temperature
> Restrictive function for setting range
of the upper or lowest limit
> 3-stage temperature control
Size | 77(W) x 35(H) x 78(D) |
Operating Range | -55.0 ~ 99.9℃ |
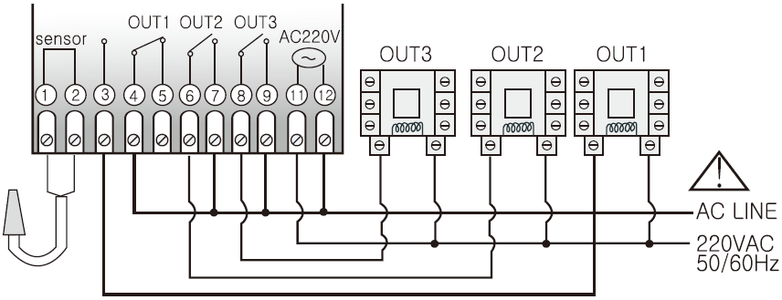
Input sensor | NTC(10KΩ) 3M |
Display Accuracy | ±1%rdg ±1digit |
Output | 3 relay (1c 2a 250VAC 2A) |
Programming | Set / Up / Down Key |
Control Method | ON / OFF |
Power Supply | 230VAC 50/60Hz |
Order production | 110VAC 50/60Hz 12V or 24V AC/DC( ±10% ) |
Ambient Temp/Humi | 0 ~ 55℃ (32~131℉) 35 ~ 80% RH |
Gross Weight 1PC | 282g |

