PRODUCT

CONOTEC that grows as a global company

FOX-2001F
· Digital Cooling, Heating Tempearture Controller / Cooling or Heating Control (4 Relay)

Features

> Lock function program

> Correction of the present temperature

> Restrictive function for setting range

   of the upper or lowest limit

> 4-stage temperature control

Product Data

Specification



 Size

 77(W) x 35(H) x 78(D)

 Operating Range

 -55.0 ~ 99.9℃

 Input sensor

 NTC(10KΩ) 3M 

 Display Accuracy

 ±1%rdg ±1digit

 Output

 4 relay (1c 3a 250VAC 2A)

 Programming

 Set / Up / Down Key 

 Control Method

 ON / OFF

 Power Supply

 230VAC 50/60Hz

 Order production 

 110VAC 50/60Hz

 12V or 24V AC/DC( ±10% )

 Ambient Temp/Humi

 0 ~ 55℃ (32~131℉)

 35 ~ 80% RH

 Gross Weight 1PC

 284g

Part name



 



 

Size & Dimension



 

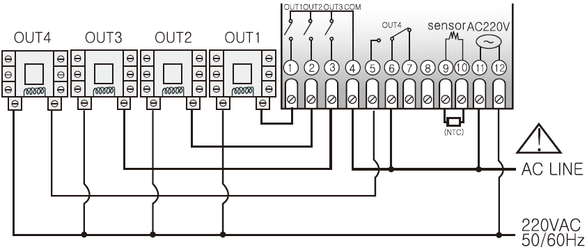
Connection



 

Related sensors and products
youtube with CONOTEC