CONOTEC that grows as a global company
> Only use Cooling & freezing
> Defrosting function
> Correction of the present temperature
> FAN delay time after defrosting
Size | 77(W) x 35(H) x 78(D) |
Operating Range | -55.0 ~ 99.9℃ |
Input sensor | NTC(10KΩ) 3M |
Display Accuracy | ±1%rdg ±1digit |
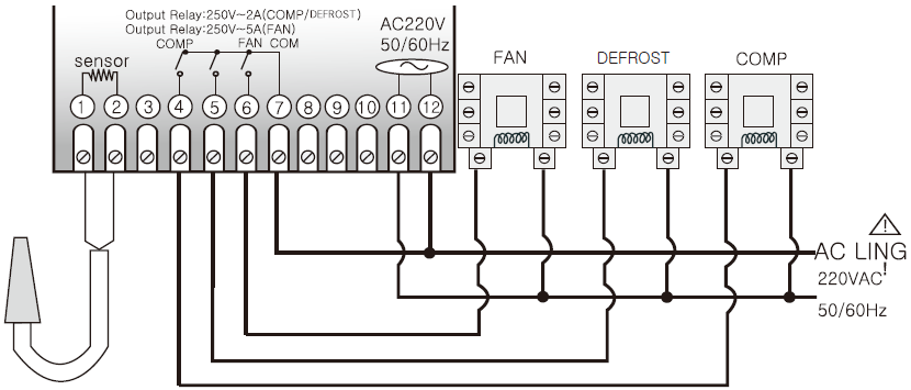
Output | 3 relay (3a 250VAC) 1R (Comp), 2R (Defrost), 3R (FAN) / 1R, 2R(250VAC 2A), 3R (250VAC 5A) |
Programming | Set / Up / Down / Df Key |
Control Method | ON / OFF |
Power Supply | 230VAC 50/60Hz |
Order production | 110VAC 50/60Hz 12 or 24V AC/DC( ±10% ) |
Ambient Temp/Humi | 0 ~ 55℃ (32~131℉) 35 ~ 80% RH |
Gross Weight 1PC | 280g |


※ Output
* COMP/Defrost relay connection capacity is less than 250 VAC 2A.
* FAN relay connection capacity is less than 250VAC 5A