CONOTEC that grows as a global company
> Selection of dehumi or humidity
> Correction of the present humidity
> 1-stage output :
control of humidity
> 2-stage output :
2nd humidity setting of time output
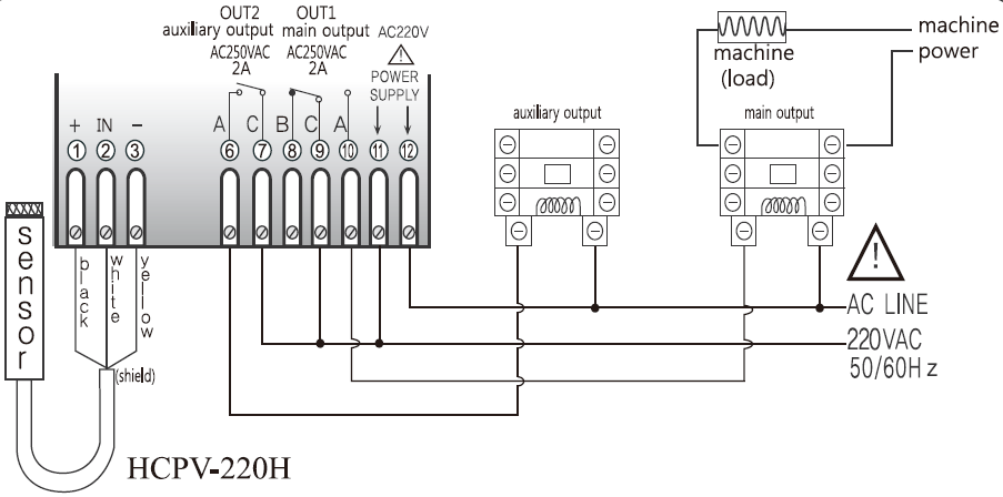
Operating Range | 10 ~ 95%RH |
Input sensor | HCPV-220H |
Display Accuracy | ±3%rdg ±1digit |
Output | 2 relay (1c 1a 250VAC 2A) 1R (Humi), 2R (Humi or time output) |
Programming | Set / Up / Down key |
Control Method | ON / OFF |
Power Supply | 230VAC 50/60Hz |
Order production | 110VAC 50/60Hz 12V AC/DC ±10% |
Ambient Temp/Humi | 0 ~ 55℃ (32~131℉) 35 ~ 80% RH |
Gross Weight 1PC | 234g |



※ Please make the operating machine be driven with using the power relay or magnet surely
because its output specification of inside relay is less than 250VAC 2A.