CONOTEC that grows as a global company
> Selection of dehumi or humidity
> Correction of the present humidity
Operating Range | 10 ~ 95% RH |
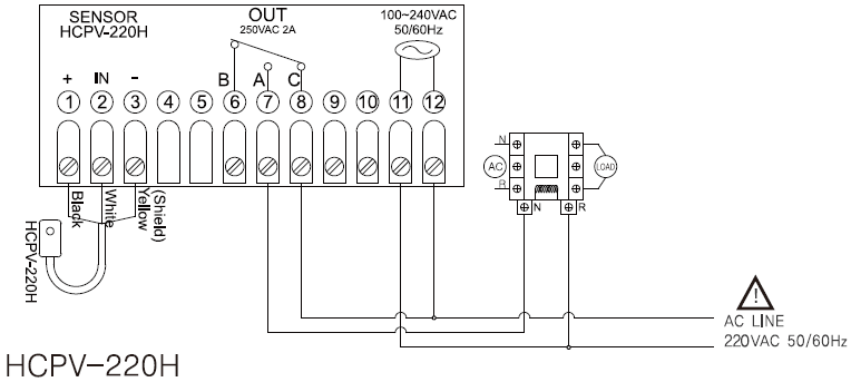
Input sensor | HCPV - 220H |
Display Accuracy | ±5%rdg ±1digit |
Output | 1 relay (1c 250VAC 2A) |
Programming | Set / Up / Down key |
Control Method | ON / OFF |
Power Supply | 230VAC 50/60Hz |
Order production | 110VAC 50/60Hz 12V AC/DC ±10% |
Ambient Temp/Humi | 0 ~ 55℃ (32~131℉) 35 ~ 80% RH |
Gross Weight 1PC | 312g |



※ Please make the operating machine be driven with using the power relay or magnet surely
because its output specification of inside relay is less than 250VAC 2A.