>전류 / SSR(싸이클/위상제어/일반온오프)로
사용가능한 출력 2개
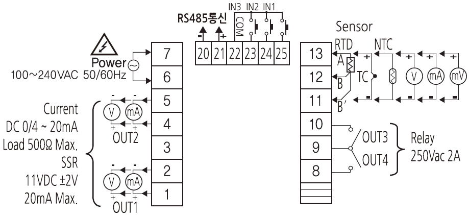
>RS 485 MODBUS RTU 가능
>하드웨어셀렉트기능(경보/전류/제어)
> 멀티 입력/멀티 레인지
표시 방식 | 7 segment LED Display |
입력 센서 | NTC10K = -50~99.9℃ DPT100Ω = -199~400℃ |
표시 정도 | ±1%rdg ±1digit |
전원 전압 | 100 ~ 240VAC 50/60Hz |
사용주위 온습도 | 0 ~ 55℃ (32~131℉) 35 ~ 80% RH (결로 또는 결로현상 없을 것) |




※ 결선작업 또는 교체 시 전원을 OFF한 상태에서 작업하시기 바랍니다.
※ 릴레이 접속용량은 250VAC 2A 이하입니다. 접점의 용량을 초과하는 부하를 사용하면
접점융착, 접속불량, 릴레이 파손 등의 원인이 되므로 주의하십시오
※ SSR을 이용한 싸이클 PID제어, 위상 PID제어를 이용할 때는,
반드시 Non Zero-Crossing이 가능한 SSR이면서
반응속도가 1ms 이내인 제품을 사용하여야 합니다.
※ 센서변경 시, 초기화 되는 메뉴가 많으므로
반드시 모든 메뉴의 설정 값을 한번씩 재확인 해주십시오